¿Qué ocurre si mi abrepuertas consume más de 250mA? ¿Puedo conectarlo a la placa de calle?

¿Qué ocurre si mi abrepuertas consume más de 250mA? ¿Puedo conectarlo a la placa de calle?

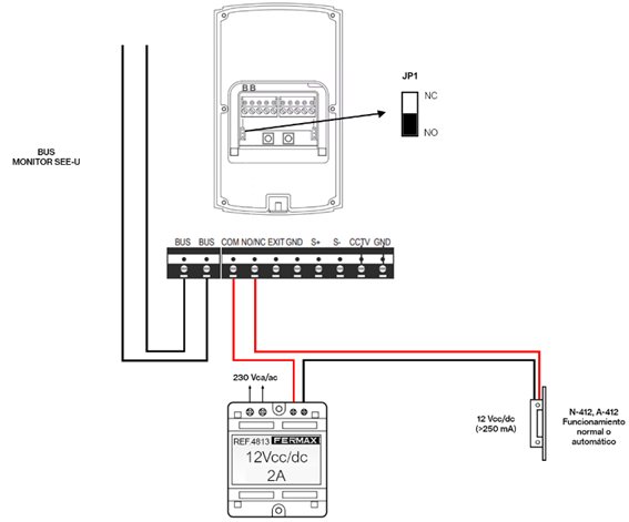
Sí, pero utilizando una fuente independiente que deberá comprar por ejemplo si es de 12Vcc la ref. 4813 y utilizando el contacto de relé libre de potencial de la placa. El esquema sería el siguiente. El interruptor JP1 debe estar en NO (normalmente abierto). Si el abrepuertas es de alterna (suena cuando se está abriendo) 12Vca utilizaremos con una fuente externa de 12Vca ejemplo la ref. 4800.




    Encuentra manuales, libros técnicos, especificaciones y mucho más desde nuestra web profesional.

      Nuestros SAT atienden solicitudes de asistencia técnica para todos los productos fabricados o comercializados por FERMAX.