How to wire the proximity reader integrated into the MEET building panel to an EXTERNAL CONTROLLER.
The connection would be as follows:
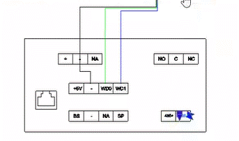
1. Power the EXTERNAL controller (with Wiegand 26 input) with an external 12 Vdc 4813 power supply.
2. Remove the –(NEGATIVE) WD0 and WD1.
The negative will be connected to the negative power input of the EXTERNAL CONTROLLER with WIEGAND 26 input.La conexión sería la siguiente:
WD0 with D0 (from the controller)
WD1 with D1 (from the controller)

3. Go to the board's web server and disable the ‘CARD READ PROMPTS’ option so that no feedback is displayed when cards/key fobs are presented to the board towards the door controller.
Example of installation with two doors.
-Door connected directly to the panel. The opening command comes from the homes or from the street panel keypad itself.
-Door connected to the external controller. The opening command is given when a card or key fob is presented to the MIFARE Wiegand proximity reader integrated into the panel.
Example of installation with a single door.
-Door connected to the external controller. The opening command comes from the homes or from the keypad on the door panel itself when a card or key fob is presented to the MIFARE Wiegand proximity reader integrated into the panel. When the card or key fob is presented, the panel will not signal anything on the display.
Related Articles
[MEET KIT] If you have more than one street panel
To activate the additional panels, we need to check the following points: The street panels and monitors installed must be on the same physical network and have the same IP address. All panels will be configured as 1W PANEL, and both the monitor(s) ...
[MEET] Connection for door lock
To open the door from your MEET Kit ref. 1506, 1507, or 1508, you have a potential-free contact to open the door depending on the type of door: Door with a latch that has an electric door opener on the frame. There are different formats and they can ...
How to add users with Face Recognition on MEET badges?
[MEET] FACE RECOGNITION In all our series of MEET panels (Marine, Kin and Milo) we have the face recognition function to control access to our installation, providing greater comfort to our users. CAPABILITIES: UP TO 6000 USERS. 6000 USER ...
[MEET] Start-up of board with license 1496, without MEET monitor
To configure your door panel to make calls to your smartphone, make sure it meets the following requirements. You must have two licences, one must be stuck to the back of the MEET panel and the other must be (ref. 1496 MEET ME CALL DIVERT LICENSE ...
How can I reset the Meet outdoor panel?
To complete the migration of the app and ensure the correct functioning of the new app, it is necessary to perform a restart of the outdoor panels and guard units (if any). Below you will find the options available to carry out this restart: - From ...
Find manuals, technical books, tender specifications and much more on our professional website.
Fermax International Distribution Network.